欢迎光临广东诚创达智能科技有限公司
服务电话:
0769-8188-6499
网站首页
关于诚创达
产品展示
解决方案
服务支持
新闻资讯
人才招聘
联系诚创达
汇川
最新动态
工业机器人与协作机器人市场未来10年的发展预测
去年中国购买的工业机器人占全球订单总量的三分之一
当前位置:
主页
>
汇川
>
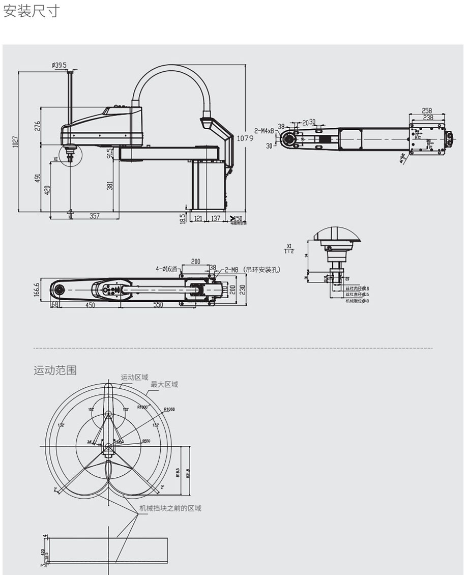
IRS10-06-62Z10TS3-N-SC08S
分享到:
QQ空间
新浪微博
腾讯微博
人人网
微信
上一篇:
IRB100-20-100Z42TS3
下一篇:
IRS10-06-56Z10TS3-N